Afterthought wrote:
No worries, I should be able to get the PN for that one... The AAN block I have does not come with a sender for the Aux gauge, only a
single prong open/closed switch (pictured on your block below the 2prong).
I purchsed an LHD S2 Harness from germany and it showed up and was just the same harness I had, so I wired the AAN harness into my car, I have to tie up a couple loose ends, one of them being the oil pressure light is on.
How do you like the vacuum brakes?
I also purchsed a B4 90 booster but it was just too big to fit in there, even the 4000 Booster was tight!
#035919561 is the 7A oil "pressure gauge sender"
B4 booster is an inc bigger, thats why i went with one from a B3
Vacuum brake is weird after a good PS brake. Our 1997 A6 has it still, not the same
My brake pedal is firm, but i just dont feel the stopping power, Im not sure if its the booster, vacuum or something else (and my brakes are big)
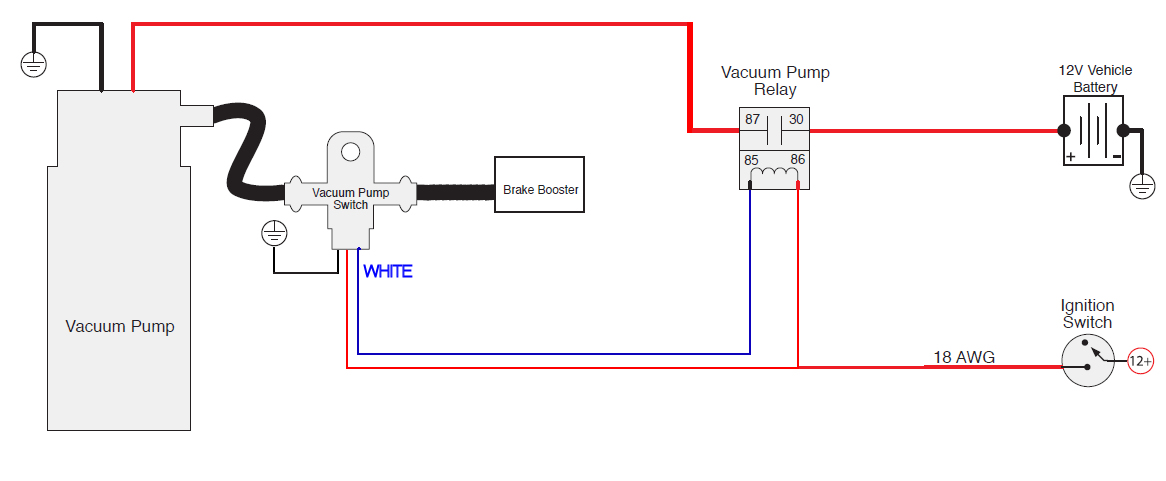
Maybe i will just install a vacuum pump and call it a day.
Installed the vacuum distribution log:

- IMG_0346.JPG (1.61 MiB) Viewed 42961 times

- IMG_0347.JPG (1.65 MiB) Viewed 42961 times